Dryer shuts off after a few seconds

1,545 Views | 15 Replies | Last: 3 yr ago by bert harbinson
bert harbinson
How long do you want to ignore this user?
Wasn't sure where else to post this. Approx 16 year old Maytag dryer starts up, drum spins, produces heat, but shuts off after 10 to 30 seconds. It will start back up immediately but does the same thing. Tried to run it in non-heat producing settings, and also with the door closure button pressed in to see if it was a faulty latch, but it still shut off pretty quickly. This just started last night, and there was a local power outage yesterday afternoon.

At work now, but I'll check to make sure the vent is clear when I get home. My guess is it's overheating, or shutting off to prevent it. What else should I be looking at or testing? Thanks!
Dr. Doctor
How long do you want to ignore this user?
What kind? Gas or electric?

Could be the gas valves if gas. Heat sensor not seeing heat and shutting off gas.

~egon
bert harbinson
How long do you want to ignore this user?
Sorry, electric
The Collective
How long do you want to ignore this user?
There are a few steps to diagnose for sure, but mine did something similar and I had to replace the thermal fuse. Mine was throwing an error code that suggested it or the heating element itself. Heating element tested fine when I opened it up.
bert harbinson
How long do you want to ignore this user?
Kind of what I was thinking, thermal fuse at the top of the differential for now.
jt2hunt
How long do you want to ignore this user?
Dust on a sensor could be an issue.
BenTheGoodAg
How long do you want to ignore this user?
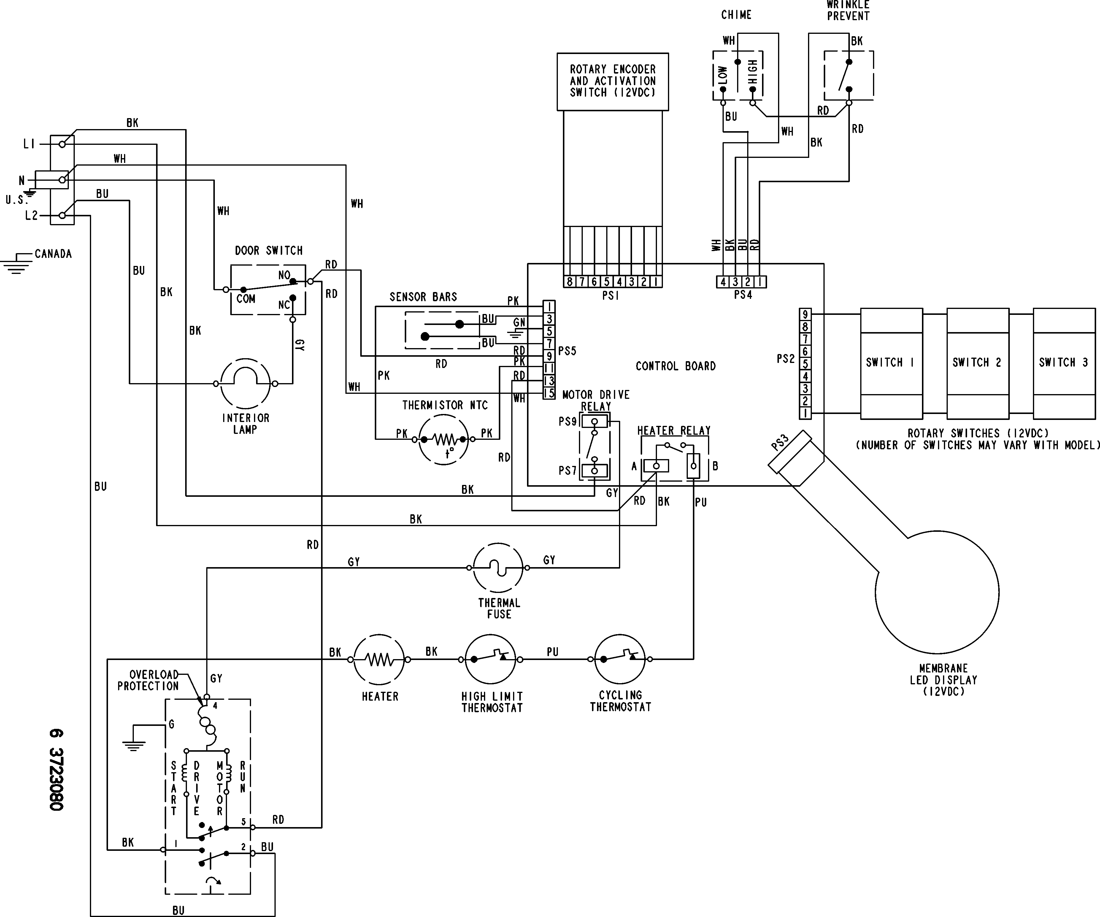
I always have to look at the electrical schematic. If you have that handy I bet it would help.
bert harbinson
How long do you want to ignore this user?
Vent tube was clear, took the dryer apart, vacuumed everything inside and out. Removed the thermal fuse and ordered a new one. Should get it Friday and will see if that does it.

Thanks for the input!
bert harbinson
How long do you want to ignore this user?
Replaced the thermal fuse last night...didn't work. Error codes are hard to decipher, a combination of lights are supposed to come on for each code, but it seems all contol panel lights come on at once. Dryer is too old (or too low end) to have an LED display. Hate to give up but don't want to sink too much into a lost cause.
BenTheGoodAg
How long do you want to ignore this user?
Do you have a model number?
bert harbinson
How long do you want to ignore this user?
Maytag MDET446AYW
BenTheGoodAg
How long do you want to ignore this user?
Since you already replaced the thermal fuse, it has issues with spin-only cycle (no heat), it happened after a power outage, and you don't throw a good error code (all lights), my money is on the control board. My guess, bad solder joint on the board which heats up after 10-30 sec. They sell replacement boards (Link), but you're at the "throwing parts at it" phase. It is a pricey part, but they do have a 60-return window. Not sure I'd personally worry about it on a 16 year old machine.

Only other thing it might be is the overload on the motor itself, but doubtful since you had an outage yesterday. It's not evident that the spin cycle engages the thermistor or sensor bars, but you could check them to see if they look damaged or burned at all.


bert harbinson
How long do you want to ignore this user?
Thanks Ben! Control board or motor, both too high a cost to replace on that age a machine if I'm not 100% sure. I'll check the outlet voltage and have a look at the control board, if obvious damage I'll replace, otherwise time for a new dryer.
vmiaptetr
How long do you want to ignore this user?
Go ahead an pick up a Speed Queen if you want another machine that will give you 16+ years.
Gary79Ag
How long do you want to ignore this user?
Contact the experts at appliancepartspros.com to get expert free help to troubleshoot and isolate your issue. They've saved me a bunch over the years and if the replacement part doesn't fix the issue, they will accept the returned part at 100% refund, no questions asked!

https://www.appliancepartspros.com

Click on the "chat with a Pro" icon in the upper left portion of the webpage!
aka The Legendary *******!!!
bert harbinson
How long do you want to ignore this user?
Tried these guys, ultimately they couldn't help. Said it's likely motor or control board, which I already thought. Oh well, new dryer on the way.

Thanks all!
Refresh
Page 1 of 1
 
×
subscribe Verify your student status
See Subscription Benefits
Trial only available to users who have never subscribed or participated in a previous trial.